2019年10月31日木曜日

UPAK変換PCB

最近、送信用に使えそうな入手可能なデバイスが少なくなっている。Aliexpressから安価で入手可能なデバイスRQA0009(UPAK形状で出力5W程)がある。UPAK形状であるので、放熱を配慮した実装が必要。そこで、UPAKをTO-220に変換する放熱可能なPCBを作る事にした。








RQA0009データシート





マウント


配線用リード線が出してないが、RAQ0009をマウントした例である。他のUPAKデバイスも実装可能である。













評価

現時点では、放熱を考慮したPCB設計をしたが、未評価である。



   


     

2019年9月22日日曜日

CA3028もどきPCB

Webを検索していると、面白い物を発見することが有る。JG1EAD OMのCA3028をディスクリートで作り、試験をしている記事を見つけた。トランシーバなどを自作する場合、廃版部品を使いたい場合もあり、代替え手段が有れば有難いことだ。そこで、CA3028もどきPCBを作る事にした。









回路図



PCB

リード部品で作る事を前提に設計した。抵抗は1/6W型を使用した。


                       

参考

W1FB OMのデザインノートに、CA3028を使った回路がある。試験したい回路が多数あり、非常に興味深い。


















2019年6月18日火曜日

SR-FRS FMトランシーバ

SR-FRS1WVを使った2m FMトランシーバ(2m FM 1W出力)。写真のシールドされた部分が、SR-FRSモジュールである。このモジュールは、中華の数社から販売されており、DRA818、SA818、SR-FRSなどのキーワードで探すことが出来る。SR-FRSを除き殆ど、12.5kHzまたは25kHzステップとなっており、国内では使いづらい。SR-FRSは、20kHzステップとして動作させられるので、音声FMに適している。




BK4811

SR-FRSの回路である。BK4811(DSP)とRF AMP,マイコンから構成されている。このBK4811は、70cmも対応しているが残念ながら、DSPにコマンドを与えない限り、70cmは動作しない様だ。










トランシーバ回路

周波数設定にロータリーエンコーダを使い、oled表示器を備えた回路図である。注意しなければいけない事は、SR-FRSの定格電圧が低いことである。電源電圧を4.5V以下で使うのが良いであろう。











PCB設計

PCBEを使ってPCB設計し、KicadのViewerでチェックを行った。マイク入力とRF出力が近接している為、RF回り込みを心配したが、全く問題なく動作した。









ハンディタイプ


ハンディタイプ トランシーバとして纏めた例である。リチュームイオン電池(3.7V)と充電器を内蔵。人間工学からメーカ製とは考え方の異なる配置とした。

















スケッチ

バンドプランによる運用周波数制限、スケルチoff、自動メモリー書込みの機能がある。
JA2GQP's Download siteのSR-FRSフォルダからダウンロード可能。Ver1.00での既知のバグは、1kHz台の表示が誤表示する事がある。誤表示は、電源offまたは運用周波数範囲外チェック後の希望周波数への移動などにより回避できる。この下1桁誤表示は、Ver1.01で確認試験を行っていたが、誤表示する事は無かった。下記の黄色部分は、Downloadサイトに反映されてアップロード済み。

//////////////////////////////////////////////////////////////////////
//  SR-FRS1W VHF TRX program ver.1.01
//    Copyright(C)2019.JA2GQP.All rights reserved.
//
//                                                2019/06/18
//                                                  JA2GQP
//--------------------------------------------------------------------
//  Function
//    1.encoeder STEP 20kHz
//    2.Squelch on/off(SQ SW)
//    3.Auto save memory(frequency)
//    4.Voltmeter
//////////////////////////////////////////////////////////////////////

#include "src/Rotary.h"               // http://www.buxtronix.net/2011/10/rotary-encoders-done-properly.html
#include "src/SSD1306AsciiAvrI2c.h"   // https://github.com/greiman/SSD1306Ascii
#include <EEPROM.h>

////////////////////////////////
// Set Device
////////////////////////////////
Rotary r = Rotary(2, 3);
SSD1306AsciiAvrI2c oled;

////////////////////////////////
// I/O Port
////////////////////////////////
const byte SW_SQ = 4;                 // SQ SW

////////////////////////////////
// EEPROM Memory Address
////////////////////////////////
const byte  Eep_Init = 0x00;          // Eep Init(1byte*1)
const byte  Eep_Freq = 0x10;          // Frequency(4byte*8)
const byte  Int_End = 73;             // Initial end code

////////////////////////////////
// Constant Memory
////////////////////////////////
const char Call[9] = "JA2GQP";        // Display Call sign
const unsigned long DEF_FREQ =145000; // Default
const unsigned long BAND_L =144600;   // Low limit
const unsigned long BAND_H =145800;   // High limit

////////////////////////////////
// Variable Memory
////////////////////////////////
unsigned long frq;                    // Frequency data
unsigned long frqb;                   //           old data
const unsigned int STEP = 20;         // STEP 20kHz

String GBW = "0";                     // Bandwidth(0:Nallow 1:Wide)
unsigned long  TFV;                   // Transmit frequency
unsigned long  RFV;                   // Receive frequency
String RXCXCSS = "00";                // CICSS/CDCSS(00-121)
String SQ = "1";                      // Squelch level(0:Monitor mode)
String TXCXCSS = "00";                // CICSS/CDCSS(00-121)
String FLAG = "0";                    // Bit0(Busy),Bit1(Compression),Bit2(Power)

float v;                              // volt data
float vb = 0;                         //           old
byte Flg_freq = 0;
byte Flg_sq = 0;
byte Flg_eepWT = 0;                   // EEP Write Flag
long Time_Passd = 0;                  // int to hold the arduino miilis since startup

//----------- setup -----------------------------------------------------

void setup(){
  pinMode(SW_SQ,INPUT_PULLUP);

  attachInterrupt(0,rotary_encoder,CHANGE);
  attachInterrupt(1,rotary_encoder,CHANGE);

  analogReference(INTERNAL);          // Internal 1.1V set
  oled.begin(&Adafruit128x64,0x3C);

  Serial.begin(9600);
  if(EEPROM.read(Eep_Init) != Int_End){    // Eep initialaz
    delay(10);
    eep_init();
  }

  eep_rdata();
  frs_init();
  frs_set();

  volt_disp();
  freq_disp(frq);
  call_disp();
}

//---------- loop -------------------------------------------------------

void loop(){
  if(frq != frqb){
    frq = constrain(frq,BAND_L,BAND_H);
    frs_set();
    freq_disp(frq);
    frqb = frq;
    volt_disp();

    Time_Passd = millis();
    Flg_eepWT = 1;
  }

  if (digitalRead(SW_SQ) == LOW) {
    sq_set();
    frs_set();
  }

  if(Flg_eepWT == 1){                       // EEPROM auto Write
    if(Time_Passd+2000 < millis()){
      eep_wdata();
      Flg_eepWT = 0;
    }
  } 
}

//----------  Rotaly Encorder  -----------------------------------------

void rotary_encoder() {                     // rotary encoder events
  uint8_t result = r.process();

  if (result) {
    Flg_freq = 1;
    if (result == DIR_CW)
      frq = frq + STEP;
    else
      frq = frq - STEP;
  }
}

//----------  Band set  ------------------------------------------------

void sq_set(){
  if(Flg_sq == 0){
    SQ = "0";
    Flg_sq = 1;
  }
  else{
    SQ = "1";
    Flg_sq = 0;
  }
  while(digitalRead(SW_SQ) == LOW);
}

//----------  EEPROM Initialization ------------------------------------

void eep_init(){
  int i;

  for (i=0;i<128;i++)                       // 0 clear(128byte)
    EEPROM.write(i, 0);

  eep_write4(DEF_FREQ,Eep_Freq);
  EEPROM.write(Eep_Init,Int_End);           // Init end set(73)
}

//----------  Write EEPROM 4byte  --------------------------------------

void eep_write4(long value,int address){
  address += 3;
  for(int i = 0;i < 4;i++){
    byte toSave = value & 0xFF;
    if(EEPROM.read(address) != toSave){
      EEPROM.write(address,toSave);
      }
    value = value >> 8;
    address--;
  }
}

//----------  Read EEPROM 4byte  ---------------------------------------

long eep_read4(int address){
  long value = 0;

  for(int i = 0;i < 4;i++){
    value = value | EEPROM.read(address);
    if( i < 3){
      value = value << 8;
      address++;
    }
  }
  return value;
}

//----------  EEPROM Dat Read  -----------------------------------------

void eep_rdata(){
  frq = eep_read4(Eep_Freq);
}

//----------  EEPROM Dat Write  ----------------------------------------

void eep_wdata(){
  eep_write4(frq,Eep_Freq);
}

//---------- callsign display ------------------------------------------

void call_disp() {
  oled.setFont(Arial_bold_14);
  oled.setCursor(56, 6);
  oled.print(Call);
}

//----------  Frequency Display  ---------------------------------------

void freq_disp(uint32_t sf_rx) {
  unsigned int wk;

  oled.setFont(lcdnums14x24);
  oled.setCursor(16, 2);
  wk = sf_rx / 1000;
  oled.print(wk);
  oled.print('.');
  wk = sf_rx % 1000;
  if (wk < 100)
    oled.print('0');
  if (wk < 10)
    oled.print('0');
  oled.print(wk/10*10);
}

//---------- SR-FRS Initialize ----------------------------------------

void frs_init(){
  Serial.println("AT+DMOCONNECT");    // Se connecter au module
  Serial.println("");
  Serial.println("");
  delay (500);
}

//---------- SR-FRS data set ------------------------------------------

void frs_set(){
  TFV = RFV = frq;

  Serial.print("AT+DMOSETGROUP=");    // Commencer un message
  Serial.print(GBW);
  Serial.print(',');
  Serial.print((float)TFV / 1000, 4);
  Serial.print(',');
  Serial.print((float)RFV / 1000, 4);
  Serial.print(',');
  Serial.print(RXCXCSS);
  Serial.print(',');
  Serial.print(SQ);
  Serial.print(',');
  Serial.print(TXCXCSS);
  Serial.print(',');
  Serial.println(FLAG);
  delay(20);
}

//---------- Volt Meter -----------------------------------------------

void volt_disp(){
  v = analogRead(A1) * 1.1;
  v = v / 1023;
  v = v / 2200;
  v = v * 12200;

  if(vb != v){
    oled.setFont(Arial_bold_14);
    oled.setCursor(1, 0);
    oled.print("        ");
    oled.setCursor(1, 0);
    oled.print(v,2);
    oled.print('V');
    vb = v;
  }
}




2019年4月20日土曜日

si5351 oled 3BAND VFO

si5351用に作ったPCB使用の、3BAND VFO(7MHz、14MHz、18MHz)である。スケッチは、LZ2WSG, KN34PCベースだが、機能追加などもあり、殆ど原型を留めてない。 VFOの機能は、自動メモリー書込み、自動モード切替、Sメータ、送信時の周波数範囲外保護(但し、受信範囲制限なし)など。oledはI2Cの128x64を使ったが、128X32用も別スケッチを用意した。




128x32を実装した様子である。oled128x64との違いは、コールサイン表示有無である。この表示を見る限り、LZ2WSG, KN34PCと違いは、モード表示のみである。
   














回路図

回路図である。モード切替用に2本、バンド切り替え用に3本のI/O使用。













スケッチ

スケッチは、JA2GQP's Download siteのsi5351 VFOフォルダからダウンロード可能。ベースにしたスケッチは、BITX用のもので逆ヘテロダインになっている。今回作ったものは、アッパーヘテロダインで目標周波数+IF周波数である。

//////////////////////////////////////////////////////////////////////
//  si5351a oled(128x64) VFO program ver.1.0
//    Copyright(C)2019.JA2GQP.All rights reserved.
//
//                                                2019/4/19
//                                                  JA2GQP
//--------------------------------------------------------------------
//  Function
//    1.STEP(10k,1k,50)
//    2.Automatic memory
//    3.Protection Operation At The Time Of Transmission
//    4.3 bands
//    5.Automatic mode switching
//    6.S-Meter
//--------------------------------------------------------------------
// Reference sketch
//    24.12.2018, Arduino IDE v1.8.8, LZ2WSG, KN34PC
//    Si5351 VFO CLK0, 20m, OLED 0.91" 128x32 display, S-meter, RX/TX, 50Hz/1000Hz
//////////////////////////////////////////////////////////////////////

#include "src/Rotary.h"               // http://www.buxtronix.net/2011/10/rotary-encoders-done-properly.html
#include "src/si5351.h"               // https://github.com/etherkit/Si5351Arduino, v2.1.0
#include "src/SSD1306AsciiAvrI2c.h"   // https://github.com/greiman/SSD1306Ascii
#include <EEPROM.h>


////////////////////////////////
// Set Device
////////////////////////////////
Rotary r = Rotary(2, 3);
Si5351 si5351(0x60);                 // Si5351 I2C address
SSD1306AsciiAvrI2c oled;

////////////////////////////////
// I/O Port
////////////////////////////////
const byte SW_BAND = A0;              // Band SW
const byte SW_STEP = A1;              // STEP SW
const byte SW_TX = A2;                // TX/RX
const byte AD_SM = A7;                // S-meter AD

////////////////////////////////
// EEPROM Memory Address
////////////////////////////////
const byte  Eep_Init = 0x00;          // Eep Init(1byte*1)
const byte  Eep_Band = 0x01;          // Band(1byte*1)
const byte  Eep_Freq = 0x10;          // Frequency(4byte*8)
const byte  Eep_Step = 0x30;          // STEP(4byte*8)

////////////////////////////////
// frquency data
////////////////////////////////
const unsigned long FRQ_TBL[3][4] = {
 // DEF     LOW(cw)  MID(ssb)  HI
  7050000 ,7000000 ,7045000 ,7200000,
  14090000,14000000,14100000,14350000,
  18110000,18068000,18110000,18168000
  };
//---- data offset -----
const byte DEF_F = 0;
const byte LOW_F = 1;
const byte MID_F = 2;
const byte HI_F  = 3;
//---- IF offset -------
const unsigned long RX_IF = 10700000;
const unsigned long TX_IF = 0;

////////////////////////////////
// Encorder STEP
////////////////////////////////
const int STEP_50 = 50;               // STEP 50Hz
const int STEP_1k = 1000;             //      1k
const int STEP_10k = 10000;           //      10k

////////////////////////////////
// etc
////////////////////////////////
const byte  Max_Band = 3;             // Max Channel(8ch)
const byte  Def_Band = 0;             // Default Band(0)
const byte  Int_End = 72;             // Initial end code
const char Call[9] = "JA2GQP";        // Display Call sign

////////////////////////////////
// Memory Assign
////////////////////////////////
unsigned long Vfo_Dat;                // VFO Data
unsigned long Enc_Step;               // STEP
char Enc_Dir = 0;                     // -1 DIR_CCW, 0 DIR_NONE, 1 DIR_CCW
unsigned int Val_Smeter = 0;
unsigned int Val_Smeterb = 1;

long Time_Passd;                      // int to hold the arduino miilis since startup
byte Flg_eepWT = 0;                   // EEP Write Flag

byte Byt_Band = 0;
byte Flg_Mode;
byte Flg_Over;
byte Flg_Vfo = 0;
byte Flg_Tx = 0;
byte Disp_over = 1;
byte Disp_freq = 1;
byte Disp_Tx = 0;

//----------  setup  ----------------------------------------------------

void setup() {
  pinMode(SW_STEP, INPUT_PULLUP);
  pinMode(SW_TX, INPUT_PULLUP);       
  pinMode(SW_BAND, INPUT_PULLUP);       
  pinMode(9, OUTPUT);                 // Band1       
  pinMode(10, OUTPUT);                //     2       
  pinMode(11, OUTPUT);                //     3         
  pinMode(12, OUTPUT);                // LOW=none, HOGH=CW
  pinMode(13, OUTPUT);                // LOW=USB,  HIGH=LSB       

  attachInterrupt(0, rotary_encoder, CHANGE);
  attachInterrupt(1, rotary_encoder, CHANGE);

  si5351.init(SI5351_CRYSTAL_LOAD_8PF,0,0);    // crystal 25.000 MHz, correction 0
  si5351.drive_strength(SI5351_CLK0,SI5351_DRIVE_4MA);//Drive lebel 4mA set
  oled.begin(&Adafruit128x64, 0x3C);

  if(EEPROM.read(Eep_Init) != Int_End){    // Eep initialaz
    delay(10);
    eep_init();
  }
  eep_rdata();

  mode_disp();
  step_disp();
  call_disp();
}

//----------  main  ----------------------------------------------------

void loop() {
  if(digitalRead(SW_TX) == HIGH){           // receive?
    Flg_Tx = 0;
    si5351.output_enable(SI5351_CLK0, 1);   // VFO enable

    if (Disp_freq == 1) {
      Disp_freq = 0;
      Vfo_Dat += Enc_Dir * Enc_Step;
      Enc_Dir = 0;
      band_check();                        // range check

      si5351_set_freq(Vfo_Dat + RX_IF);
      freq_disp(Vfo_Dat);                  // frequency display
      Flg_Vfo = 1;
      mode_disp();

      Time_Passd = millis();
      Flg_eepWT = 1;
    }

    if (digitalRead(SW_STEP) == LOW) {      // increment events
      enc_step();
      step_disp();
      while (digitalRead(SW_STEP) == LOW);
    }

    if (digitalRead(SW_BAND) == LOW) {
      band_set();
    }
    Disp_Tx = 1;
  }
  else{                                     // send
    Flg_Tx = 1;
    Disp_over = 1;

    if(Flg_Over == 0){                      // Within transmittable range?
      si5351.output_enable(SI5351_CLK0, 1); // VFO enable
      if(Flg_Vfo == 1){
        si5351_set_freq(Vfo_Dat + TX_IF);
        Flg_Vfo = 0;
      }
    }
    else{                                   // Out of range
      si5351.output_enable(SI5351_CLK0, 0); // VFO disable
      if(Disp_over == 1){
        fover_disp();                       // Display of over range
        Disp_over = 0;
        Disp_freq = 1;
      }
    }
    if(Disp_Tx == 1){
      tx_disp();
      Disp_Tx = 0;     
    }
    Disp_freq = 1;
  }

  Val_Smeter = analogRead(AD_SM);
  if ((abs(Val_Smeter - Val_Smeterb)) > 3){ // if needed draw S-meter
    sm_disp();
    Val_Smeterb = Val_Smeter;
  }

  if(Flg_eepWT == 1){                       // EEPROM auto Write
    if(Time_Passd+2000 < millis()){
      eep_wdata(Byt_Band);
      Flg_eepWT = 0;
    }
  } 
}

//----------  Band set  ------------------------------------------------

void band_set(){
  if(Byt_Band == Max_Band-1)
    Byt_Band = 0;
  else
    Byt_Band++;
  EEPROM.write(Eep_Band,Byt_Band);

  while(digitalRead(SW_BAND) == LOW);
  eep_rdata();
  band_check();                             // range check
  si5351_set_freq(Vfo_Dat + RX_IF);
  freq_disp(Vfo_Dat);                       // frequency display
  step_disp();
  mode_disp();
}

//----------  Write EEPROM 4byte  --------------------------------------

void eep_write4(long value,int address){
  address += 3;
  for(int i = 0;i < 4;i++){
    byte toSave = value & 0xFF;
    if(EEPROM.read(address) != toSave){
      EEPROM.write(address,toSave);
      }
    value = value >> 8;
    address--;
  }
}

//----------  Read EEPROM 4byte  ---------------------------------------

long eep_read4(int address){
  long value = 0;

  for(int i = 0;i < 4;i++){
    value = value | EEPROM.read(address);
    if( i < 3){
      value = value << 8;
      address++;
    }
  }
  return value;
}

//----------  EEPROM Dat Read  -----------------------------------------

void eep_rdata(){
  Byt_Band = EEPROM.read(Eep_Band);
  if(Byt_Band == 0){
    digitalWrite(9,HIGH);
    digitalWrite(10,LOW);
    digitalWrite(11,LOW);
  }
  else if(Byt_Band == 1){
    digitalWrite(9,LOW);
    digitalWrite(10,HIGH);
    digitalWrite(11,LOW);
  }
  else if(Byt_Band == 2){
    digitalWrite(9,LOW);
    digitalWrite(10,LOW);
    digitalWrite(11,HIGH);
  }
  Vfo_Dat = eep_read4(Eep_Freq+Byt_Band*4);
  Enc_Step = eep_read4(Eep_Step+Byt_Band*4);
}

//----------  EEPROM Dat Write  ----------------------------------------

void eep_wdata(byte band){
  EEPROM.write(Eep_Band,band);
  eep_write4(Vfo_Dat,Eep_Freq+band*4);
  eep_write4(Enc_Step,Eep_Step+band*4);
}
 
//----------  EEPROM Initialization ------------------------------------

void eep_init(){
  int i;

  for (i=0;i<128;i++)                       // 0 clear(128byte)
    EEPROM.write(i, 0);

  for(i=0;i<Max_Band;i++){
    eep_write4(FRQ_TBL[i][DEF_F],Eep_Freq+i*4);
    eep_write4(STEP_1k,Eep_Step+i*4);       // Step(1kHz)
  }
  EEPROM.write(Eep_Band,Def_Band);          // Default Band(0)
  EEPROM.write(Eep_Init,Int_End);           // Init end set(73)
}

//----------  Rotaly Encorder  -----------------------------------------

void rotary_encoder() {                     // rotary encoder events
  uint8_t result = r.process();

  if(Flg_Tx == 0){
    if (result) {
      Disp_freq = 1;
      if (result == DIR_CW)
        Enc_Dir = 1;
      else
        Enc_Dir = -1;
    }
  }
}

//----------  si5351 PLL Output  ---------------------------------------

void si5351_set_freq(uint32_t frequency) {
  si5351.set_freq(frequency * SI5351_FREQ_MULT, SI5351_CLK0);
}

//----------  Encorede STEP  -------------------------------------------

void enc_step() {
  if (Enc_Step == STEP_50) {
    Enc_Step = STEP_1k;                     // 1000 Hz, round to XX.XXX.000
    float tmp = round (Vfo_Dat / (STEP_1k * 1.000));
    Vfo_Dat = (uint32_t)(tmp * STEP_1k);
    Disp_freq = 1;
  }
  else if(Enc_Step == STEP_1k)
    Enc_Step = STEP_10k;                    // 10k
  else 
    Enc_Step = STEP_50;                     // 50 Hz
}

//----------  STEP Display  --------------------------------------------

void step_disp() {
  oled.setCursor(109, 4);
  oled.setFont(labels);
  if (Enc_Step == STEP_50)
    oled.print("6");                        // 50Hz
  else if(Enc_Step == STEP_1k)
    oled.print("8");                        // 1k
  else
    oled.print("9");                        // 10k
}

//---------- Frequency renge over --------------------------------------

void fover_disp() {
  oled.setFont(lcdnums14x24);
  oled.setCursor(1, 0);
  oled.print("--.---.--");
}

//---------- callsign display ------------------------------------------

void call_disp() {
  oled.setFont(Arial_bold_14);
  oled.setCursor(56, 6);
  oled.print(Call);
}

//----------  Frequency Display  ---------------------------------------

void freq_disp(uint32_t sf_rx) {
  uint16_t fr;

  oled.setFont(lcdnums14x24);
  oled.setCursor(1, 0);
  fr = sf_rx / 1000000;
  if (fr < 10)
    oled.print(':');                        // ':' is changed to ' ' in lcdnums14x24.h
  oled.print(fr);
  oled.print('.');
  fr = (sf_rx % 1000000) / 1000;
  if (fr < 100)
    oled.print('0');
  if (fr < 10)
    oled.print('0');
  oled.print(fr);
  oled.print('.');
  fr = (sf_rx % 1000) / 10;
  if (fr < 10)
    oled.print('0');
  oled.print(fr);
}

//---------- TX display ------------------------------------------------

void tx_disp() {
  oled.setCursor(2, 4);
  oled.setFont(labels);
  oled.print("1");                          // "1" is "TX" in labels.h
}

//---------- Mode display ----------------------------------------------

void mode_disp() {
  oled.setCursor(2, 4);
  oled.setFont(labels);
  if (Flg_Mode == 0){
    oled.print("2");                        // "2" is "CW" in labels.h
    digitalWrite(12,HIGH);
    digitalWrite(13,LOW);
  }
  else if(Flg_Mode == 1){
    oled.print("3");                        // "3" is "LSB"
    digitalWrite(12,LOW);
    digitalWrite(13,HIGH);
  }
  else if(Flg_Mode == 2){
    oled.print("4");                        // "4" is "USB"
    digitalWrite(12,LOW);
    digitalWrite(13,LOW);
  }
}

//----------  S-Meter Display  -----------------------------------------

void sm_disp() {
  uint8_t a = 0;
  uint8_t m = 0;

  a = (Val_Smeter + 3) / 113;  // 1024 / 9 characters for S = 1,3,5,7,8,9,+10,+20,+30
  oled.setFont(pixels);
  oled.setCursor(25, 4);
  for (m = 0; m < a; m++)
    if (m < 6)
      oled.print('7');                      // '5' - hollow rectangle, 6px
    else
      oled.print('8');                      // '6' - filled rectangle, 6px
  for (m = a; m < 9; m++)
    oled.print('.');                        // '.' 1px
}

//----------  band chek  -----------------------------------------------

void band_check(){
  if((Vfo_Dat >= FRQ_TBL[Byt_Band][LOW_F])
      && (Vfo_Dat <= FRQ_TBL[Byt_Band][MID_F])){
    Flg_Mode = 0;                             // CW(0=CW, 1=LSB, 2=USB) 
    Flg_Over = 0;
  }
  else if((Vfo_Dat >= FRQ_TBL[Byt_Band][MID_F])
      && (Vfo_Dat <= FRQ_TBL[Byt_Band][HI_F])){
    if(Vfo_Dat >= 10000000)                   // greate than 10MHz                     
      Flg_Mode = 2;                           // USB(0=CW, 1=LSB, 2=USB)
    else
      Flg_Mode = 1;                           // LSB(0=CW, 1=LSB, 2=USB)
    Flg_Over = 0;
  }
  else
    Flg_Over = 1;
}      



    



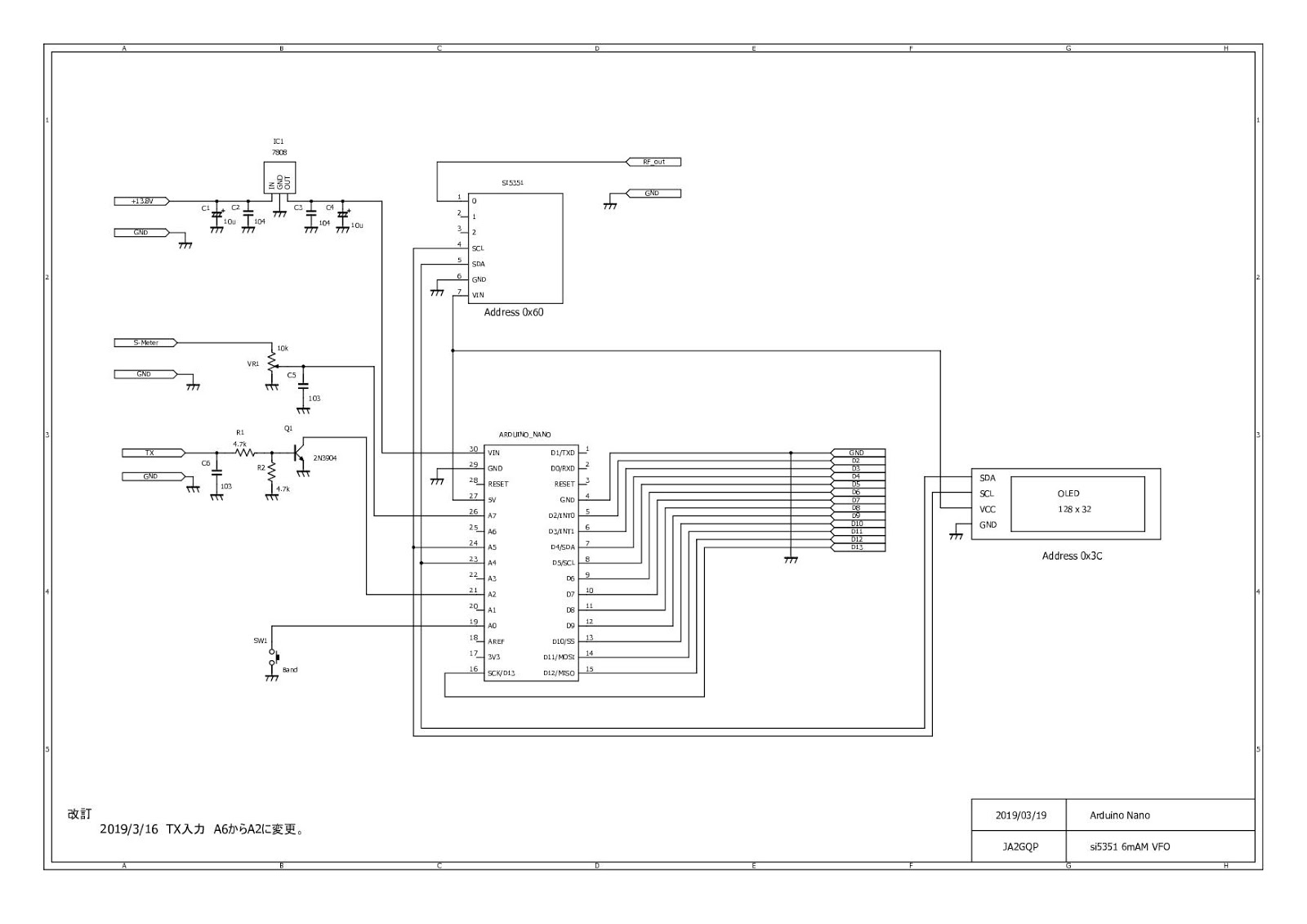
2019年3月20日水曜日

6m AM VFO

  
周辺デバイスコントロールにI2C使用のVFO PCBを作った。このVFO PCBは、拡張性を高める為、多くのI/O端子を引出した。PCBパターン引き回し上、アナログ専用ポートのA6を入力ポートに割り付けてしまった。正常動作させる為、アナログ専用ポートA6からアナログ/デジタルのA2に再割り当てを行った。また、PCB動作確認用に6m AMチャンネル切替式VFOスケッチを作り、H/Wチェックを行った。








回路図


回路図である。I/O端子を殆ど使ってないので、拡張用予備端子になっている。
  





PCB部品面

PCB小型化(50x50)の為、Arduinoボードとsi5351aボードで隠れた所迄、部品を実装している。左側のランドは、未使用のI/O端子である。














Arduinoとsi5351aユニット実装

標準高さのピンソケットにArduino nanoとsi5351aユニットを実装した様子である。半固定抵抗は、Sメータレベル調整用である。














A6からA2へ改造


Arduino nanoには、A6,A7端子があるがアナログ専用となっている。その為、PCB裏面(操作面側)のA6パターンをカットし、ジャンパーでA2に改造した。今回は、この方法で対応する事にしたが、アナログ信号を読み取って、しきい値判断によるデジタル化による判断方式などがある。   
    








スケッチ     

PCBチェックの為にスケッチを書いた。簡単で実用的な6m AMチャンネル切替式VFOにした。チャンネルは、50.500、50.550、50.600、50.620の切替式で、現在のチャンネルのメモリーする。使ったOLED128x32と小型だが、Sメータ表示が出来る。必要なファイルは、si5351 VFOフォルダからダウンロードできる。

//////////////////////////////////////////////////////////////////////
//  si5351a 6m AM VFO program ver.1.0
//    Copyright(C)2019.JA2GQP.All rights reserved.
//
//                                                2019/3/19
//                                                  JA2GQP
//////////////////////////////////////////////////////////////////////

#include "src/si5351.h"              // https://github.com/etherkit/Si5351Arduino, v2.1.0
#include "src/SSD1306AsciiAvrI2c.h"  // https://github.com/greiman/SSD1306Ascii
#include <EEPROM.h>

//---------- Set I/O Device ---------------------

Si5351 si5351(0x60);                 // Si5351 I2C address
SSD1306AsciiAvrI2c oled;

//----------  Define Constant Value   ----------
                                                
#define   SW_CH     A0                // CH SW
#define   SW_TX     A2                // TX SW
#define   PIN_SM    A7                // S-meter voltage input

////////////////////////////////
// Channel Frequency
////////////////////////////////
#define  CH1_FRQ    50500000L         // Channel 1 Frequency
#define  CH2_FRQ    50550000L         //         2
#define  CH3_FRQ    50600000L         //         3
#define  CH4_FRQ    50620000L         //         4

////////////////////////////////
// etc
////////////////////////////////
#define  CH1        1                 // Channel 1
#define  CH2        2                 // Channel 2
#define  CH3        3                 // Channel 3
#define  CH4        4                 // Channel 4

#define  MAX_CHN    4                 // Max Channel
#define  INT_END    73                // Initial end code
#define  IF_FRQ     10700000L         // IF Frequency 10.7MHz
#define  OLED_ADR   0x3C              // OLED Address

//----------  EEPROM Memory Address   -----------------------

#define  EEP_INT    0x00              // Eep Init(1byte*1)
#define  EEP_CHN    0x01              // Channel(1byte*1)

//----------  Memory Assign  -------------------

unsigned long Vfo_Dat = 0;            // VFO Data
unsigned long Vfo_Datb = 0;           //          old
unsigned long If_Dat;                 
unsigned long Frq_Dat;                // Frequency Data                 

byte Byt_Chn = CH1;                   // Channel SW
byte Flg_Tx = 0;                      // TX Flag
byte Flg_Txb = 1;                     //         old

unsigned int Val_SM = 0;              // S-Meter Data
unsigned int Val_SMb = 0;             //              old


//----------  Initialization  Program  ---------------

void setup(){
  si5351.init(SI5351_CRYSTAL_LOAD_8PF,0,0);//crystal 25.000 MHz, correction 0
  si5351.drive_strength(SI5351_CLK0,SI5351_DRIVE_4MA);//Drive lebel 4mA set 
  
  oled.begin(&Adafruit128x32, OLED_ADR);

  pinMode(SW_TX,INPUT_PULLUP);
  pinMode(SW_CH,INPUT_PULLUP);

  if(EEPROM.read(EEP_INT) != INT_END){    // Eep initialaz
    delay(10);
    Eep_Init();
  }

  Byt_Chn = EEPROM.read(EEP_CHN);         //     Channel

  CH_Set();
  Disp_Comm1();
}

//----------  Main program  ---------------

void loop() {
  if(digitalRead(SW_TX) == HIGH){          // RX ?
    if((digitalRead(SW_CH) == LOW)){       // CH SW On?
      CH_Switch();
      CH_Set();                                   
    }
    Flg_Tx = 0;
    If_Dat = IF_FRQ;
  }
  else{                                   // TX 
    Flg_Tx = 1;                           // Yes,TX Flag set
    If_Dat = 0;                           //     If_Dat 0 set
  }

  Vfo_Dat = Frq_Dat + If_Dat;
  
  if(Vfo_Dat != Vfo_Datb){                  // Frequency update?
    si5351.set_freq(Vfo_Dat * SI5351_FREQ_MULT,SI5351_CLK0);
    Vfo_Datb = Vfo_Dat;
  }

  if(Flg_Tx != Flg_Txb){
    Disp_Comm1();
    Flg_Txb = Flg_Tx;
  }

  Val_SM = analogRead(PIN_SM);
  if ((abs(Val_SM - Val_SMb)) > 3) {  // if needed draw S-meter
    Disp_SM();
    Val_SMb = Val_SM;
  }

}  


//----------  Channel Data Set & Display Frequency  ---------

void CH_Set(){
  oled.setFont(lcdnums14x24);
  oled.setCursor(1, 0);

  switch(Byt_Chn){
    case CH1:
      Frq_Dat = CH1_FRQ;
      oled.print("01:50.500");      
      break;
    case CH2:
      Frq_Dat = CH2_FRQ;
      oled.print("02:50.550");      
      break;
    case CH3:
      Frq_Dat = CH3_FRQ;
      oled.print("03:50.600");      
      break;
    case CH4:
      Frq_Dat = CH4_FRQ;
      oled.print("04:50.620");      
      break;
    default:
      break;
  }
  EEPROM.write(EEP_CHN,Byt_Chn);
}

//----------  Display Common1(TX/RX)  ---------

void Disp_Comm1(){
  oled.setCursor(2, 3);
  oled.setFont(labels);

  if(Flg_Tx == 1)
    oled.print("2");                // "2" is "TX" in labels.h
  else
    oled.print("1");                // "1" is "RX" in labels.h
}

//----------  CH SW Check  ----------------------

void CH_Switch(){
  Byt_Chn++;
  while(digitalRead(SW_CH) == LOW)
    ;
  if(Byt_Chn > MAX_CHN)
    Byt_Chn = CH1;
}

//----------  Display S-Meter  -------------------

void Disp_SM() {
  uint8_t a = 0;
  uint8_t m = 0;

  a = (Val_SM + 3) / 113;            // 1024 / 9 characters for S = 1,3,5,7,8,9,+10,+20,+30
  oled.setFont(pixels);
  oled.setCursor(25, 3);
  for (m = 0; m < a; m++)
    if (m < 6)
      oled.print('7');               // '5' - hollow rectangle, 6px
    else
      oled.print('8');               // '6' - filled rectangle, 6px
  for (m = a; m < 9; m++)
    oled.print('.');                 // '.' 1px
}

//---------- EEProm Initialization -----------------

void Eep_Init(){
  EEPROM.write(EEP_INT,INT_END);                  // Init end set(73)  
  EEPROM.write(EEP_CHN,CH1);                      // Init end set(73)  
}
























     

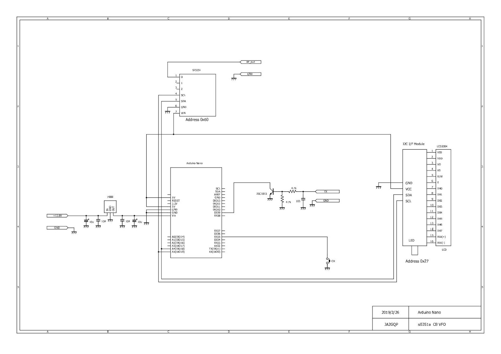
2019年2月26日火曜日

si5351a CB VFO

 si5351aの8ch CB VFOである。このVFOは、周辺デバイスとのI/Fは全てI2Cで行っている。合法CBは、1-8CHであるが、9-10CHに受信のみ出来るチャンネルを設けた。CBの場合、チャンネル有りき周波数なので、周波数表示は不要である。ただ、普段アマチュア無線を行っていると、周波数表示が欲しくなる。そこで今回、周波数表示はテキストデータをそのまま表示させる事にした。適当なテキストを表示させるのも面白いと思う。操作は、CHスイッチを押すとチャンネルが順送りし、メモリー保存する。超シンプルである。



回路図

回路図は、AFPSN VFO回路の不要な所を除いたのみである。













スケッチ

ライブラリは、バージョンが異なると正しく動作しない場合がある為、スケッチと同じフォルダにsrcフォルダを作って、si5351.hとLiquidCrystal_I2C.hが入れてある。必要なファイルはsi5351 VFOフォルダのcb_vfo.zip。

//////////////////////////////////////////////////////////////////////
//  si5351a CB VFO program ver.1.0
//    Copyright(C)2019.JA2GQP.All rights reserved.
//
//                                                2019/2/26
//                                                  JA2GQP
//////////////////////////////////////////////////////////////////////
#include "src/si5351.h"                      // Ver2,1,0
#include "src/LiquidCrystal_I2C.h"           //    1.1.2
#include <EEPROM.h>

//---------- Set I/O Device ---------------------

LiquidCrystal_I2C lcd(0x27,16,2);       // address 0x27, display 16x2
Si5351 si5351;

//----------  Define Constant Value   ----------
                                               
#define   SW_CH     5                     // CH SW
#define   SW_TX     9                     // TX SW

////////////////////////////////
// Channel Frequency
////////////////////////////////
#define  CH1_FRQ    26968000L           // Channel 1 Frequency
#define  CH2_FRQ    26976000L           //         2
#define  CH3_FRQ    27040000L           //         3
#define  CH4_FRQ    27080000L           //         4
#define  CH5_FRQ    27088000L           //         5
#define  CH6_FRQ    27112000L           //         6
#define  CH7_FRQ    27120000L           //         7
#define  CH8_FRQ    27144000L           //         8
#define  CH9_FRQ    27005000L           //         9
#define  CH10_FRQ   27524000L           //        10

////////////////////////////////
// etc
////////////////////////////////
#define  CH1        1                   // Channel 1
#define  CH2        2                   // Channel 2
#define  CH3        3                   // Channel 3
#define  CH4        4                   // Channel 4
#define  CH5        5                   // Channel 5
#define  CH6        6                   // Channel 6
#define  CH7        7                   // Channel 7
#define  CH8        8                   // Channel 8
#define  CH9        9                   // Channel 9
#define  CH10       10                  // Channel 10

#define  Max_Chn    10                  // Max Channel(10ch)
#define  Int_End    73                  // Initial end code
#define  CALL      "JA2GQP"             // Display Call sign
#define  IF_FRQ     455000L             // IF Frequency 455kHz

//----------  EEPROM Memory Address   -----------------------

#define  Eep_Int    0x00                // Eep Init(1byte*1)
#define  Eep_Chn    0x01                // Channel(1byte*1)

//----------  Memory Assign  -------------------

unsigned long Vfo_Dat = 0;                // VFO Data
unsigned long Vfo_Datb = 0;               //          old
unsigned long If_Dat;               
unsigned long Frq_Dat;                    // Frequency Data               

byte Byt_Chn = CH1;                       // Channel SW
byte Flg_Tx = 0;                          // TX Flag

//----------  Initialization  Program  ---------------

void setup(){
  si5351.init(SI5351_CRYSTAL_LOAD_8PF,0,0);//crystal 25.000 MHz, correction 0
  si5351.drive_strength(SI5351_CLK0,SI5351_DRIVE_4MA);//Drive lebel 4mA set
 
  lcd.begin();
  lcd.backlight();
  lcd.clear();

  pinMode(SW_TX,INPUT_PULLUP);
  pinMode(SW_CH,INPUT_PULLUP);

  if(EEPROM.read(Eep_Int) != Int_End){    // Eep initialaz
    delay(10);
    Fnc_Eep_Int();
  }

  Byt_Chn = EEPROM.read(Eep_Chn);         //     Channel

  Channel_Set();
  LCD_Line1();
}

//----------  Main program  ---------------

void loop() {

  if(digitalRead(SW_TX) == HIGH){          // TX off?
    if((digitalRead(SW_CH) == LOW)){       // CH SW On?
      Fnc_Chsw();
      Channel_Set();                                 
    }
    Flg_Tx = 0;
    If_Dat = IF_FRQ;
    si5351.output_enable(SI5351_CLK0,1);  // PLL Out enable 
  }
  else{                                   // TX on
    if(Byt_Chn <= CH8){                   // CH1-CH8?
      Flg_Tx = 1;                         // Yes,TX Flag set
      If_Dat = 0;                         //     If_Dat 0 set
      si5351.output_enable(SI5351_CLK0,1);// PLL Out enable 
    }
    else{                                 // CH9-CH10
      Flg_Tx = 0;                         // TX Flag reset                         
      If_Dat = IF_FRQ;                    // If_Dat set
      si5351.output_enable(SI5351_CLK0,0);// PLL Out disable 
    }
  }

  Vfo_Dat = Frq_Dat + If_Dat;
 
  if(Vfo_Dat != Vfo_Datb){                  // Frequency update?
    si5351.set_freq(Vfo_Dat * SI5351_FREQ_MULT,SI5351_CLK0);
    Vfo_Datb = Vfo_Dat;
  }
  LCD_Line1();



//----------  Channel Data Set & LCD Line0 Display  ---------

void Channel_Set(){
  lcd.setCursor(0,0);
  lcd.print("CH");

  switch(Byt_Chn){
    case CH1:
      Frq_Dat = CH1_FRQ;
      lcd.print("01  26.968");     
      break;
    case CH2:
      Frq_Dat = CH2_FRQ;
      lcd.print("02  26.976");     
      break;
    case CH3:
      Frq_Dat = CH3_FRQ;
      lcd.print("03  27.040");     
      break;
    case CH4:
      Frq_Dat = CH4_FRQ;
      lcd.print("04  27.080");     
      break;
    case CH5:
      Frq_Dat = CH5_FRQ;
      lcd.print("05  27.088");     
      break;
    case CH6:
      Frq_Dat = CH6_FRQ;
      lcd.print("06  27.112");     
      break;
    case CH7:
      Frq_Dat = CH7_FRQ;
      lcd.print("07  27.120");     
      break;
    case CH8:
      Frq_Dat = CH8_FRQ;
      lcd.print("08  27.144");     
      break;
    case CH9:
      Frq_Dat = CH9_FRQ;
      lcd.print("09  27.005");     
      break;
    case CH10:
      Frq_Dat = CH10_FRQ;
      lcd.print("10  27.524");     
      break;
    default:
      break;
  }
  EEPROM.write(Eep_Chn,Byt_Chn);
  lcd.setCursor(13,0);
  lcd.print("MHz");
}

//----------  LCD Line1 Display  ---------

void LCD_Line1(){
  lcd.setCursor(0,1);

  if(Flg_Tx == 1)
    lcd.print("TX");
  else
    lcd.print("RX");

  lcd.setCursor(10,1);
  lcd.print(CALL);
}

//----------  Function CH SW Check  ---------

void Fnc_Chsw(){
  Byt_Chn++;
  while(digitalRead(SW_CH) == LOW)
    ;
  if(Byt_Chn > Max_Chn)
    Byt_Chn = CH1;
}

//---------- Function Eeprom Initialization -----------------

void Fnc_Eep_Int(){
  EEPROM.write(Eep_Int,Int_End);                  // Init end set(73) 
  EEPROM.write(Eep_Chn,CH1);                      // Init end set(73) 
}




     


2019年1月22日火曜日

AFPSN用VFO

dsPICとMAX2452を組合わせたAFPSN用のVFOである。MAX2452のローカル発振は、目的周波数の2倍が必要な為、送信用VFOとした。設計に当たり、拡張性のあるH/Wを目指す事にし、I2Cを多用した。今迄のsi5351VFOは、カスタムライブラリを使っていたが、今回はgithubのものを使っている。

VFOの主な仕様
1)8チャンネルメモリー
2)メモリー自動書き込み
3)BPF、LPF切替
4)周波数範囲チェック
5)自動モード切替
6)STEP 100Hz、1k、10k、100k、
      1M




回路図


回路図である。I2Cデバイスのアドレスが判る様に記入した。EXTスイッチは、拡張用に割り付けたが未使用。TD62083のOut1からOut8は、リレー駆動用。










スケッチ

Arduino IDE1.8.8でコンパイルした。ライブラリの相性善し悪しで、I2Cデバイス動作が左右される。その為、スケッチのフォルダーにsrcフォルダーを作り、ライブラリを入れた。必要なファイルは、JA2GQP's Download siteのafpsnフォルダーからダウンロード可能。
バンドの概念が無いので、どのチャンネルにどんなバンド帯でも設定が出来るが、設定したチャンネル番号でBPF、LPFを切替えているので注意。

//////////////////////////////////////////////////////////////////////
//  si5351a PLL AFPSN VFO program ver.1.0
//    Copyright(C)2019.JA2GQP.All rights reserved.
//
//                                                2019/1/22
//                                                  JA2GQP
//--------------------------------------------------------------------
//  Function
//    1.STEP(1M,100k,10k,1k,100)
//    2.Memory Channel ch0 - ch7(8ch)
//    3.Protection Operation At The Time Of Transmission
//////////////////////////////////////////////////////////////////////
//       PCF8574  https://github.com/xreef/PCF8574_library

#include "src/si5351.h"                      // Ver2,1,0
#include "src/LiquidCrystal_I2C.h"           //    1.1.2
#include "src/Rotary.h"
#include <EEPROM.h>
#include "src/PCF8574.h"

//---------- Set I/O Device ---------------------

PCF8574 pcf8574(0x20);                    // Set i2c address
LiquidCrystal_I2C lcd(0x27,16,2);       // address 0x27, display 16x2
Si5351 si5351;
Rotary r = Rotary(2,3);                  // 2 = Encorder A, 3 = Encorder B

//----------  Define Constant Value   ----------
                                               
const byte  SW_STEP = 4;                   // STEP SW
const byte  SW_CH = 5;                     // CH SW
const byte  SW_TX = 9;                     // TX SW
const byte  OUT_MODE = 13;                 // OUTPUT Mode

////////////////////////////////
// Limited range
////////////////////////////////
const long  LW_VFO80 = 3500000L;           // 3.5MHz Lower Limit
const long  HI_VFO80 = 3575000L;           //        Upper Limit
const long  LW_VFO40 = 7000000L;           // 7MHz   Lower Limit
const long  HI_VFO40 = 7200000L;           //        Upper Limit
const long  LW_VFO20 = 14000000L;          // 14MHz  Lower Limit
const long  HI_VFO20 = 14350000L;          //        Upper Limit
const long  LW_VFO15 = 21000000L;          // 21MHz  Lower Limit
const long  HI_VFO15 = 21450000L;          //        Upper Limit
const long  LW_VFO10 = 28000000L;          // 28MHz  Lower Limit
const long  HI_VFO10 = 29700000L;          //        Upper Limit
const long  LW_VFO6 = 50000000L;           // 50MHz  Lower Limit
const long  HI_VFO6 = 54000000L;           //        Upper Limit

////////////////////////////////
// default value
////////////////////////////////
const long  DEF_FRQ = 7050000L;            // Default Vfo(7.05MHz)
const long  DEF_STP = 1000L;               // Init STEP(1kHz)

////////////////////////////////
// etc
////////////////////////////////
const byte  Max_Chn = 3;                   // Max Channel(8ch)
const byte  Int_End = 73;                  // Initial end code
const char *CALL = "JA2GQP";               // Display Call sign

//----------  EEPROM Memory Address   -----------------------

const byte  Frq_Eep = 0x00;                // Frequency(4byte*10)
const byte  Stp_Eep = 0x30;                // STEP(4byte*10)
const byte  Chn_Eep = 0x60;                // Channel(1byte*1)
const byte  Vfo_Eep = 0x62;                // Vfo mode(1byte*1)
const byte  Eep_Int = 0x6e;                // Eep Init(1byte*1)

//----------  Memory Assign  -------------------

unsigned long Vfo_Dat = 0;                 // VFO Data
unsigned long Vfo_Datb = 0;                //          old
unsigned long Enc_Stp = 0;                 // STEP
long timepassed;                           // int to hold the arduino miilis since startup

char *Lcd_Dat = "           ";             // Lcd Display Buffer
char *Mode = "    ";                       // Mode display
byte Byt_Chn = 0;                          // Channel SW
byte Byt_Chnb = 0;                         // Channel SW Old
byte Flg_Tx = 0;                           // TX Flag
byte Flg_eepWT = 0;                        // EEP Write Flag
byte Flg_Mode = 0;                         // Mode Flag
char Flg_Over;                             // Over Flag
byte Flg_Vfo = 0;                          // DDS Flag
byte Byt_Vfo = 0;                          // VFO Mode

//----------  Initialization  Program  ---------------

void setup(){
  pcf8574.pinMode(P0,OUTPUT);              // PCF8574 Set pinMode to OUTPUT
  pcf8574.pinMode(P1,OUTPUT);
  pcf8574.pinMode(P2,OUTPUT);
  pcf8574.pinMode(P3,OUTPUT);
  pcf8574.pinMode(P4,OUTPUT);
  pcf8574.pinMode(P5,OUTPUT);
  pcf8574.pinMode(P6,OUTPUT);
  pcf8574.pinMode(P7,OUTPUT);

  pcf8574.begin();

  pcf8574.digitalWrite(P0,LOW);
  pcf8574.digitalWrite(P1,LOW);
  pcf8574.digitalWrite(P2,LOW);
  pcf8574.digitalWrite(P3,LOW);
  pcf8574.digitalWrite(P4,LOW);
  pcf8574.digitalWrite(P5,LOW);
  pcf8574.digitalWrite(P6,LOW);
  pcf8574.digitalWrite(P7,LOW);

  si5351.init(SI5351_CRYSTAL_LOAD_8PF,0,0);//initialize the Si5351
  si5351.set_freq(0,SI5351_CLK0);          // Dummy Frequency data
  si5351.output_enable(SI5351_CLK0,0);     // CLK0 disable

  lcd.begin();
  lcd.backlight();

  pinMode(SW_STEP,INPUT_PULLUP);
  pinMode(SW_TX,INPUT_PULLUP);
  pinMode(SW_CH,INPUT_PULLUP);
  pinMode(OUT_MODE,OUTPUT);

  PCICR |= (1 << PCIE2);
  PCMSK2 |= (1 << PCINT18) | (1 << PCINT19);
  sei();                                   // INT Enable

  Flg_Tx = 0;                              // Flag Initialization
  Flg_Vfo = 0;                           
  lcd.clear();

  if(EEPROM.read(Eep_Int) != Int_End){    // Eep initialaz
    delay(10);
    Fnc_Eep_Int();
  }

  Byt_Chn = EEPROM.read(Chn_Eep);         //     Channel
  pcf8574.digitalWrite(Byt_Chn,HIGH);
  Byt_Chnb = Byt_Chn;
  Fnc_Eep_Rd();                            //     VFO & STEP
}

//----------  Main program  ---------------

void loop() {

  if(Flg_Tx == 0){                        // TX off?
    if(digitalRead(SW_STEP) == LOW)       // STEP SW On?
      Fnc_Stp();                           

    if((digitalRead(SW_CH) == LOW))       // SEL SW On?
      Fnc_Chsw();                           

    if(Byt_Chnb != Byt_Chn){              // CH SW OLD != NEW?
      Fnc_Eep_Wt(Byt_Chnb);
      pcf8574.digitalWrite(Byt_Chnb,LOW);
      Byt_Chnb = Byt_Chn;
      Fnc_Eep_Rd();
    }
  }

  if(digitalRead(SW_TX) == LOW){             // Tx On?
    Flg_Tx = 1;                              //    Yes,Flg_Tx Set
    si5351.output_enable(SI5351_CLK0, 1);    // VFO enable
  }
  else{                                   
    Flg_Tx = 0;                             //     No,Flg_Tx Reset
    si5351.output_enable(SI5351_CLK0, 0);   // VFO disable
  }

  Fnc_Band();                               // Band check

  if(Vfo_Dat != Vfo_Datb){                  // Frequency update?
    si5351.set_freq((Vfo_Dat * SI5351_FREQ_MULT) * 2,SI5351_CLK0);
    Fnc_Fdsp(Vfo_Dat);
    Vfo_Datb = Vfo_Dat;
    timepassed = millis();
    Flg_eepWT = 1;
  }
 
  Fnc_Lcd();                                // LCD Display

  if(Flg_eepWT == 1){                       // EEPROM auto Write
    if(timepassed+2000 < millis()){
      Fnc_Eep_Wt(Byt_Chn);
      Flg_eepWT = 0;
    }
  } 


//----------  Encorder procedure(INT)  ---------------

ISR(PCINT2_vect) {
  unsigned char result = r.process();

  if(Flg_Tx == 0){
    if(result){   
      if(result == DIR_CW)
          Vfo_Dat = Vfo_Dat + Enc_Stp;
      else
          Vfo_Dat = Vfo_Dat - Enc_Stp;
    }
  }
}

//----------  Function Mode  -------------------

void Fnc_Mode(){
  lcd.setCursor(5,1);

  if(Flg_Mode == 0){                      // LSB ?
    digitalWrite(OUT_MODE, HIGH);       
    lcd.print("LSB ");
  }
  else if(Flg_Mode == 1){                 // USB ?
    digitalWrite(OUT_MODE, LOW);       
    lcd.print("USB ");
  }
}

//----------  Function Encorder STEP  ---------

void Fnc_Stp(){
  if(Enc_Stp == 100)                       // Step = 100Hz ?
    Enc_Stp = 1000000;                    //   Yes,1MHz set
  else
    Enc_Stp = Enc_Stp / 10;               // Step down 1 digit

  Fnc_Step_Disp();
  Fnc_Lcd();
  while(digitalRead(SW_STEP) == LOW)
    ;
}

//----------  Function STEP Display  ----------

void Fnc_Step_Disp(){
  lcd.setCursor(0,1);
  switch(Enc_Stp){
    case 100:
      lcd.print("100 ");
      break;
    case 1000:
      lcd.print("1k  ");
      break;
    case 10000:
      lcd.print("10k ");
      break;
    case 100000:
      lcd.print("100k");
      break;
    case 1000000:
      lcd.print("1M  ");
      break;
    default:
      lcd.print("1k  ");
      Enc_Stp = 1000;
      break;
  }
}

//----------  Function String Dot Edit  --------
   
char *Fnc_Dot_Edit(char *str,long n){
  int  i = 0;                           // Write the number
  char *p = str;
  unsigned long  u = abs(n);

  do{
    *p++ = "0123456789"[u % 10];
    u = u / 10;
    i++;
    if((0 != u) && (0 == (i % 3)))
      *p++ = '.';
  }
  while( 0 != u )
    ;
  if ( n < 0 )
     *p++ = '-';
   *p = '\0';
   Fnc_Revr( str );
   return str;
}

//----------  Function String Reverse  ---------

void Fnc_Revr(char *str){
  int i,n;
  char c;

  n=strlen(str);
  for(i = 0;i < n / 2;i++){
    c=str[i];
    str[i]=str[n - i - 1];
    str[n - i - 1]=c;
  }
}

//----------  Function Write EEPROM 4byte  ---------

void Fnc_Eep_Write(long value,int address){
  address += 3;
  for(int i = 0;i < 4;i++){
    byte toSave = value & 0xFF;
    if(EEPROM.read(address) != toSave){
      EEPROM.write(address,toSave);
      }
    value = value >> 8;
    address--;
  }
}

//----------  Function Read EEPROM 4byte  ---------

long Fnc_Eep_Read(int address){
  long value = 0;

  for(int i = 0;i < 4;i++){
    value = value | EEPROM.read(address);
    if( i < 3){
      value = value << 8;
      address++;
    }
  }
  return value;
}

//----------  Function LCD Display  ---------

void Fnc_Lcd(){
  lcd.setCursor(0,0);
  if(Flg_Tx == 1)
    lcd.print("T");
  else{
    lcd.print(Byt_Chn);
    pcf8574.digitalWrite(Byt_Chn,HIGH);
  }
 
  Fnc_Step_Disp();

    if(Flg_Over == -1){
      Fnc_Fdsp(Vfo_Dat);
      lcd.setCursor(5,1);
      lcd.print("Over");
    }
    else
      Fnc_Fdsp(Vfo_Dat);

  if(Flg_Over == 0){ 
    Fnc_Mode();
    lcd.setCursor(10,1);
    lcd.print(CALL);
  }
}

//----------  Function Frequency Display  ---------

void Fnc_Fdsp(long f_disp){ 
  Fnc_Dot_Edit(Lcd_Dat,f_disp);
  lcd.setCursor(1,0);
  lcd.print(": ");
  lcd.print(Lcd_Dat);
  lcd.print("Hz");
}

//----------  Function CH SW Check  ---------

void Fnc_Chsw(){
  byte cnt = 0;
 
  Byt_Chn++;
  while(digitalRead(SW_CH) == LOW){
    delay(500);
    cnt++;
    if(6 <= cnt){                               // Eep Initial start(3sec)?
      lcd.setCursor(5,1);
      lcd.print("Init");
      Fnc_Eep_Int();                            // Initialization
      Byt_Chn = EEPROM.read(Chn_Eep);          // Channel Read
      Byt_Chnb = Byt_Chn;
      Fnc_Eep_Rd();                             // EEPROM Read
    }
  }
}

//---------- Function Eeprom Initialization -----------------

void Fnc_Eep_Int(){
  int i;

  for (i=0;i<160;i++)                            // 0 clear(160byte)
    EEPROM.write(i, 0);

  for(i=0;i<Max_Chn;i++){
    Fnc_Eep_Write(DEF_FRQ,Frq_Eep+i*4);            // Frequency(7.05MHz)
    Fnc_Eep_Write(DEF_STP,Stp_Eep+i*4);            // Step(1kHz)
  }

  EEPROM.write(Eep_Int,Int_End);                  // Init end set(73) 
}

//----------  Function EEPROM Read  ---------

void Fnc_Eep_Rd(){
  if((0 <= Byt_Chn) && (Byt_Chn < Max_Chn))
    Vfo_Dat = Fnc_Eep_Read(Frq_Eep+Byt_Chn*4);
  else{
    Vfo_Dat = Fnc_Eep_Read(Frq_Eep+0*4);
    Byt_Chn = 0;
  }

  if((0 <= Byt_Chn) && (Byt_Chn < Max_Chn))
    Enc_Stp = Fnc_Eep_Read(Stp_Eep+Byt_Chn*4);
  else
    Enc_Stp = Fnc_Eep_Read(Stp_Eep+0*4);

  Byt_Vfo = EEPROM.read(Vfo_Eep);
}

//----------  Function EEPROM Write  ---------

void Fnc_Eep_Wt(byte chn){
  if((0 <= chn) && (chn < Max_Chn)){
    Fnc_Eep_Write(Vfo_Dat,Frq_Eep+chn*4);
    Fnc_Eep_Write(Enc_Stp,Stp_Eep+chn*4);
  }

  EEPROM.write(Chn_Eep,chn);
}

//----------  Function Band  ---------

void Fnc_Band(){
  if((Vfo_Dat >= LW_VFO80) && (Vfo_Dat <= HI_VFO80)){           // 3.5MHz
    Flg_Mode = 0;                                               //    LSB(0=LSB, 1=USB)   
    Flg_Over = 0;
  }
  else if((Vfo_Dat >= LW_VFO40) && (Vfo_Dat <= HI_VFO40)){      // 7MHz
    Flg_Mode = 0;                                               //    LSB(0=LSB, 1=USB)
    Flg_Over = 0;
  }
  else if((Vfo_Dat >= LW_VFO20) && (Vfo_Dat <= HI_VFO20)){      // 14MHz
    Flg_Mode = 1;                                               //    USB(0=LSB, 1=USB)
    Flg_Over = 0;
  }
  else if((Vfo_Dat >= LW_VFO15) && (Vfo_Dat <= HI_VFO15)){      // 21MHz
    Flg_Mode = 1;                                               //    USB(0=LSB, 1=USB)
    Flg_Over = 0;
  }
  else if((Vfo_Dat >= LW_VFO10) && (Vfo_Dat <= HI_VFO10)){      // 28MHz
    Flg_Mode = 1;                                               //    USB(0=LSB, 1=USB)
    Flg_Over = 0;
  }
  else if((Vfo_Dat >= LW_VFO6) && (Vfo_Dat <= HI_VFO6)){        // 50MHz
    Flg_Mode = 1;                                               //    USB(0=LSB, 1=USB)
    Flg_Over = 0;
  }
  else
    Flg_Over = -1;
}